@zr 问题找到了,底下OTG口PA4有个上拉
P
Project_D 发布的帖子
-
RE: FR2012A的睡眠模式串口唤醒发布在 FR201x
低功耗功能我已经实现了,问题是在于休眠后用串口唤醒会丢失过多数据。我在user_entry_after_sleep_imp里重新初始化了串口,并打开接收。实际测试在休眠后,发送256个字节的数据,前面20到30个字节的数据会直接丢失。有没有什么办法能使丢失的字节数控制在几个字节内,或者说是不是芯片本身休眠唤醒的时间过长,这个问题无法避免。
-
FR2012A的睡眠模式串口唤醒发布在 FR201x
FR2012A的睡眠模式唤醒时间是多长,没有看到这方面的描述。
目前项目需要使用串口数据来唤醒,这个模块进入睡眠模式后会关闭所有外设,需要在唤醒后重新配置。实测用串口RX脚中断唤醒后,会丢失20到30个字节的数据,这个能优化吗,控制在几个字节内? -
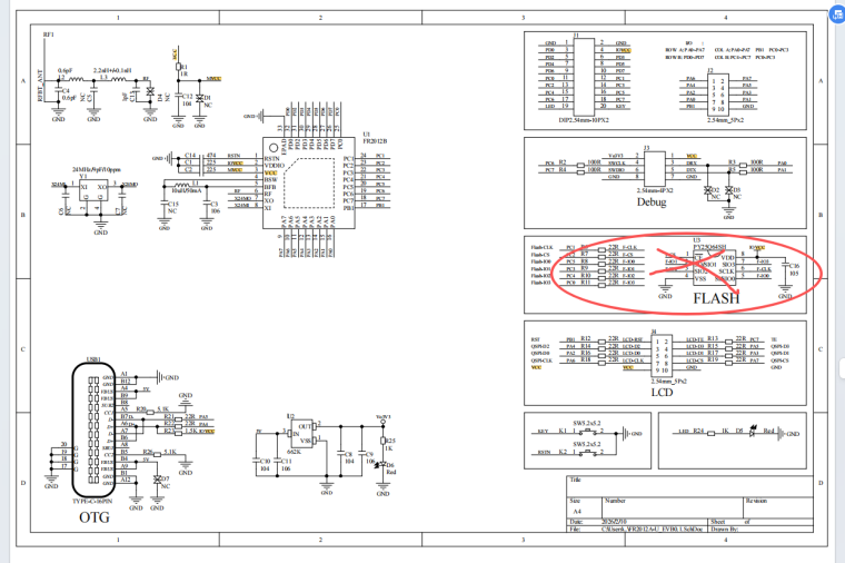
FR2012A-U EVB0.1 功耗异常发布在 FR201x
FR2012A-U EVB0.1 直接供电3.3V,进入休眠后底电流有130uA,电源电压升到3.6V后,电流基本不变,电压降到2.5V后,底电流下降到75uA。使用的是ble_simple_peripheral这个例程,请问这个问题要怎么解决?


上面是pmu_sub_init函数的部分初始化代码。
开发板上只是最小系统,没有外挂FLASH
